Inhaltsverzeichnis
E-639: Telefunken E 104 Kw/8
E-639, Telefunken E 104 Kw/8; developed and produced by Telefunken, Ulm.
The Telefunken E 104 is a set only rarely found in Switzerland, it's a very heavy and bulky allwave receiver mainly used for maritime and commercial point-to-point communications constructed in the fifties - a few samples seem to have served with the Swiss Army.
Technical Data
- Principle: Single / Double conversion, IF 1st IF 1,1-2,2 MHz / 1,9-4,1 or 3,9-6,1 MHz; 2nd IF 525 kHz
- Frequency range: 1.1 - 30.1 MHz
- Analog dial, dial accuracy 2 kHz
Power Supply
- Mains: 110 - 240 V AC
Dimensions
- 555 x 480 x 590 mm, 86 kg
Accessories
- SSB/ISB adaptor BP102
- radio teletype converter TgFs127
Operation
The E 104 has been produced in different variants from the mid-fifties until the sixties, it has found use in maritime communications and in commercial point-to-point communications (press / weather reports), some of the receivers having been exported to France and Belgium have french frontpanel lettering.
A close relative to the E 108 is the VLF - mediumwave receiver E 108 with a similar design.
This receiver is extremely bulky and heavy, it's 555 x 480 x 590 mm wide and in it's desktop cabinet, the receiver has a weight of 86 kg - not a one man lift anymore…
The receiver can be powered from different AC voltages from 110 to 240 V and has a power consumption of 130 Watts with it's 24 tubes and two stabilizers.
The top third of the frontpanel is taken by the linear dial; when you turn the large bandswitch, the dial is rotated up and down. In the higher frequency bands, only the MHz - digits behind tiny windows in the dial are rotated.
In the left lower quadrant of the front panel, you find the rotary controls in three rows: the BFO control with it's +/- 3 kHz range, the crystal calibrator switch and the reception mode selector. In the middle row, you find the control to adjust the level of the line out output and the AGC time selector and in the bottom row the bandwidth selector and the controls for audio and radio frequency (RF Gain) gain.
In the right lower quadrant of the receiver's front panel, you find two measuring instruments: The left can be set as signal strength meter and control instrument for different tube voltages (switch „Kontroll“), the right acts as a tuning indicator for FM reception. Below, You find the main tuning knob with a 1:10 fine tuning gear and the rugged bandswitch, sometimes this has to be moved with some efforts, You might have a look at the innards of the receiver and You will understand…
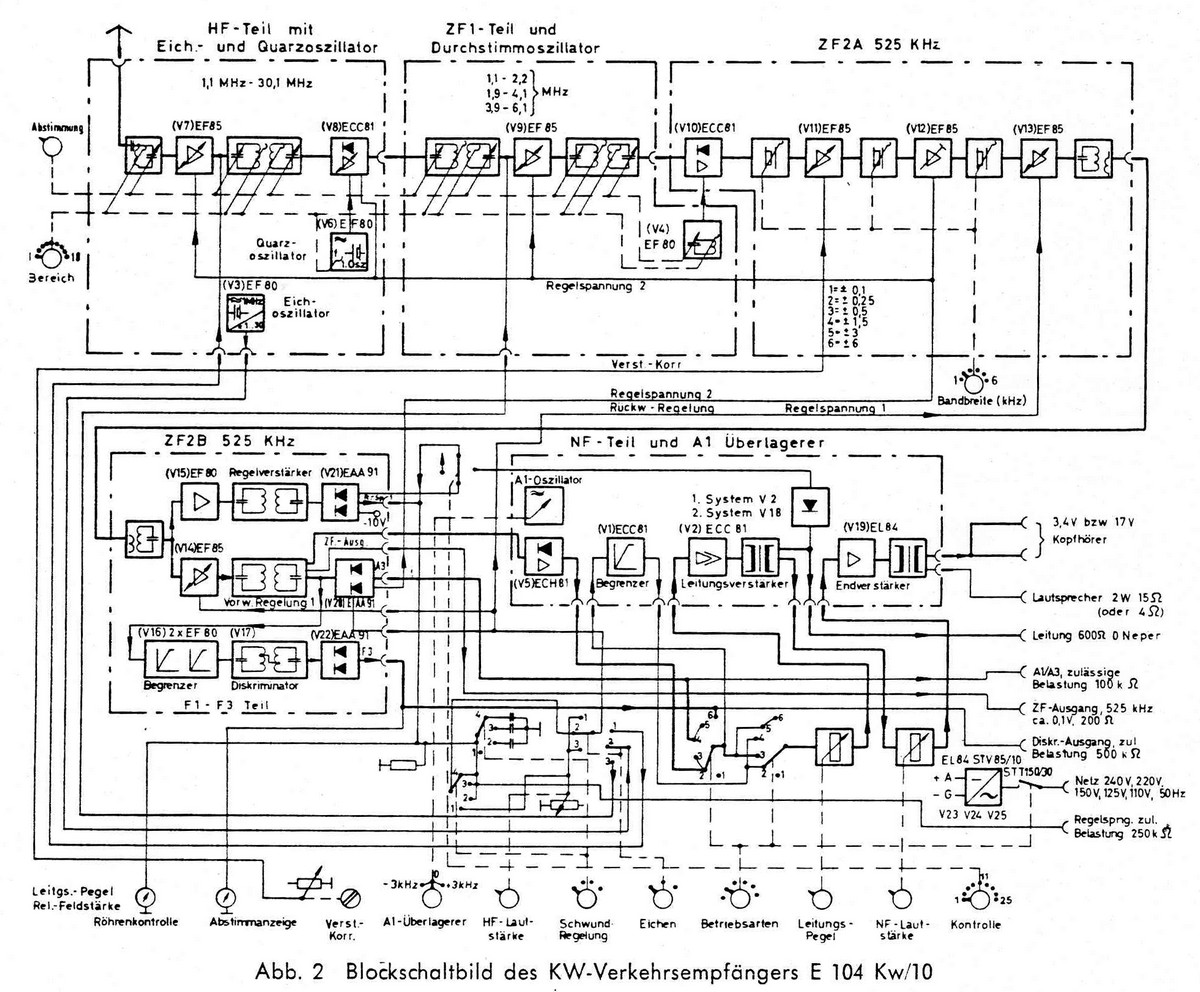
The receiver acts as single conversion receiver with an i.f. of 525 kHz in the low frequency bands below 5,9 MHz, in the high frequency bands, the signal is converted to a first i.f. of 1,1-2,2 MHz, 1,9-4,1 or 3,9-6,1 MHz (according to the selected band) and then to a second intermediate frequency of 525 kHz. After having passed the I.F. filter bank, the signal is fed to the AM and FM detector, a BFO can be used to receive CW and single sideband signals.
There has been an optional FSK demodulator Fs Tg 127 for the reception of radioteletype signals and a BP 102 single sideband demodulator to match the E 104.
Technical Principle

The RF signal coming from the antenna input has to pass a protective neon bulb and is fed to the first RF amplifier stage (V7: EF85) and after a band filter to the mixer (V8: ECC81). Here it is converted to the first intermediate frequency with the oscillator frequency (V6: EF80), which is derived from one of 15 switchable quartz crystals. This first intermediate frequency is in the ranges 4 - 9 (5950 - 12050 kHz) between 1.1 and 2.1 MHz and in the ranges 10 - 19 (11900 - 30100 kHz) in the range of 1.9 - 4.1 MHz. In the ranges 1 - 3 (1100 - 6100 kHz), the first stage acts as RF stage without the oscillator switched on.
In module ZF1, the signal passes through an amplifier stage (V9:EF85), this IF amplifier stage is tuned, the frequency ranges correspond to the frequency ranges of the bands 1 - 3, in which the first oscillator is turned off and the receiver acts as a single conversion set. A second oscillator (V4: EF80) which is also tuned oscillates 525 kHz above the first IF; it is tuned synchroneous with the circuits of the RF stage and module ZF1. As a frequency-determining element, the oscillator is temperature-compensated.
In the mixer stage in tube V10 (ECC81) located at the input of module ZF2-A, the intermediate frequency of 525 kHz is generated, this is amplified in three IF stages (V11-13, each EF85), the quartz and coil filters are switched between the IF amplifiers.
In module ZF2-B, after an amplifier stage (V14: EF85) the signal is demodulated by means of a diode (V20: EAA91) when in AM mode; for FM reception, the IF signal has to pass a two-stage limiter (V16, V17 EF80) and is fed to the discriminator (V22: EAA91). The receiver has two AGC control voltages, only the AGC voltage 2 acts on the RF and first IF stage.
In the last module, the beat frequency oscillator (V5: ECH81) is switched on to receive A1 / CW transmissions, it oscillates between 522 - 528 kHz, giving a CW tone range of +/- 3 kHz. After a two-stage AF preamplification (V2, V18: ECC81), the audio is fed to the line output or to the final audio stage, where a EL84 (V19) acts as output tube.
Valve setup
V1 (ECC81, Limiter); V2 (ECC81, AF preamplifier); V3 (EF80, calibrator); V4 (EF80, oscillator); V5 (ECH81, BFO); V6 (EF80, quartz oscillator 1st mixer); V7 (EF85, RF preamplifier); V8 (ECC81, 1st mixer); V9 (EF85, IF amplifier); V10 (ECC81, 2nd mixer stage, IF 525 kHz); V11 - V14 (four EF85, IF amplification); V15 (EF80, variable gain amplifier); V16 / V17 (two EF80, FM limiter); V18 (ECC81, AF amplifier); V19 (EL84, audio final amplifier).


