Inhaltsverzeichnis
All Wave Receiver E-627
All Wave Receiver E-627, E-627; developed and produced by Autophon AG, Solothurn.
Autophon developed the E-627 as a successor of the E44 which still was using battery tubes. It was the military shortwave receiver with the highest production numbers (444 sets have been made) and is still considered as fairly common in Switzerland, this might be due to the fact that these sets have been serviced regularly at Swiss arsenals and usually are in very good condition.
The shortwave performance is above average, the major drawback is the non-linear analog dial which will result in suboptimal dial accuracy compared to contemporary sets with digital frequency display. This can be improved by connecting a digital frequency counter.
Technical Data
- Frequency range: 1,5 - 32 MHz in six ranges (1,5 - 2,5 MHz; 2,5 - 4,1 MHz; 4,1 - 7 MHz; 7 - 11,5 MHz; 11,5 - 19,2 MHz und 19,2 - 32 MHz), direct readout analog dial
Power Supply
- Mains: 110, 125, 145, 220 and 250 V
- Accumulator / Batteries: 6 V or 12 V (vehicle battery) with vibrator power supply Z-627/1.
Dimensions
- Receiver: 510 x 270 x 260 mm, 19.8 kg; together with a wooden crate 46.6 kg
Accessories
Operation
The receiver comes in a gray metal cabinet, a protective front cover will cover up the whole front panel during transports and can be attached to the back, when the receiver is in operation.
The front panel's width is 44 cm, with both carrying handles at it's sides, the complete receiver has a width of 51cm, height of 27cm, depth of 26cm and a weight of 19,8 kg. There are two more carrying handles mounted to the front panel giving additional protection.
It's worth having a look in the small compartment at the rear of the set: usually some headphones and the mains cable are stored there, You might be lucky and find some spare tubes still in their boxes with military seals.
The left side of the front panel can be divided in three sections: on the top the antenna / earth connectors and the signal strength meter, in the middle the dial, the bandswitch and the main tuning knob and a bottom row with all other necessary controls.
On the right hand, You find the speaker protected by a metal speaker grille, the mains voltage selector and the mains cable connector. A separate connector allows using the Z627/1 vibrator pack 6/12V DV power supply.
The antenna connector is of SO-239 type, underneath You find the earth socket and two BNC connectors with protective lids giving You access to the receiver's intermediate frequency and acting as a second antenna connector.
Next to the antenna connectors, some fuses and a socket for crystal controlled fixed frequency operation, is a round signal stregth meter switchable to display the plate / B+ voltage. A round knob allows to dim the dial lights.
Below you find the dial of the turret tuning assembly. Due to the construction of the set, the analog dial is not linear, so on higher frequencies, the 100 kHz lines are much nearer then in the low band segments - thus dial accuracy is better low frequencies. Dial calibration has been made at the manunfacturer: using a crystal controlled calibrator providing a spectrum of known frequencies, the frequency marks have been engraved individually on each set's dial.
The big rotary control at the left acts as bandswitch and operates the turret tuner, the right knob is the main tuning control, that can be locked mechanically on a tuned frequency. The shortwave band segments are 1,5-2,5 MHz, 2,5-4,1 MHz, 4,1-7 MHz, 7-11,5 MHz, 11,5-19,2 MHz and 19,2-32 MHz.
The controls below are used for RF and AF signal processing: The switch „Anti - Fading“ next to the headphone sockets (one socket will switch off the internal speaker, when headphones are plugged in, the other one won't) activates the automatic gain control (AGC), the RF-Gain control (called „Empfindlichkeit / Sensibilité“) is usually turned fully clockwise for standard operation with AGC on. The BFO knob is called „Telegraphie - Überlagerer“ (Telegraphy heterodyne) and is used for CW and SSB reception. The bandwitch switch, which follows next on the right hand, has a wide (+/- 3,5 kHz), narrow (+/- 2 kHz) and a „Filter“ position. This will enable a +/- 100 Hz crystal filter, the „Kristallfiler“ control will be operational only in this position and can be used to shift the passband of the filter to fade out a nearby interfering signal. Further right, You find the volume control, called „Laustärke/ Puissance“ in german/french language.
The military sets have been equipped with a seven day movement Revue mechanical station clock. Quite often, only three little holes below the speaker grille witness that the clock has found a new owner. Caution: the clock fingers are painted with Radium containing flourescent colour, this can cause trouble when a set is sent abroad and the clock indicates radiation on a Geiger counter.
I love the performance of my E-627 on shortwaves: the 14 valve single conversion set offers above average reception on shortwaves. Tuning on the high frequency bands is difficult, on the lower bands with the original dials ok, an external frequency counter can give you relief from guessing the reception frequency, there are some counters that can be set to automatically subtract the receivers IF of 455 kHz.
This fifty year old set from the internationally not very well known manufacturer Autophon offers very pleasent shortwave reception - and usually this sets work very reliably, what You would expect from „Swiss Made“ quality. Not to mention that Swiss Army gear is usually heavy, rock-solid and is designed and built to last centuries…
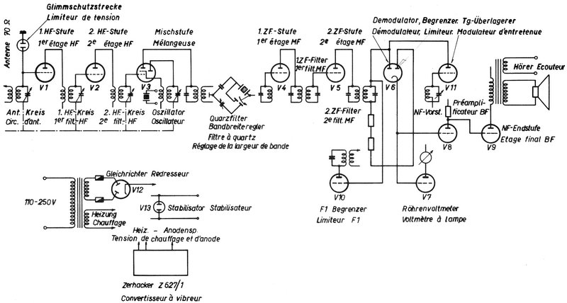
Technical Principle

The antenna signal from the coxial 70 Ohms socket has to pass two RF preamplifier stages; with the signal of the oscillator (triode system of ECH42) it is converted in the mixer stage (same ECH42) to the intermediate frequency of 455 kHz. This is followed by two IF amplifier stages (EAF42, EAF42). The signal is demodulated (EB41 and fed to the audio preamplifier (EAF42) and the audio final stage (EL42) to drive the speaker integrated in the front panel.
For CW and single sideband reception, the signal of the BFO (EF43) is fed to the signal before demodulation; a IF limiter stage (EAF42) is used for FSK radioteletype operation, the output is fed to a coaxial connector on the front panel.
Valve setup
V1 (EF43, 1. RF stage); V2 (EAF42, 2. HRF stage); V3 (ECH42, mixer, oscillator); V4 (EAF42, 1. IF amplifier); V5 (EAF42, 2. IF amplifier); V6 (EB41, demodulation, noise limiter); V7 (EAF42, meter amplifier); V8 (EAF42, AF preamplifier); V9 (EL42, AF final stage); V10 (EAF42, FM limiter); V11 (EF43, BFO). V12 (EZ40, mains rectifier), V13 stabilizer 150C1.
Development
The receiver E-627 has been developed in 1950/51 by Autophon; it was also sold for civilian users and PTT (Swiss post telegraph telephone company) as E76. In parallel, a VHF receiver with a similar construction was developed: the Army designation of this set was E-628, the civilian version E77 sold to the PTT and exported e.g. to Finland.
Field use
In the years 1954/57 some 444 sets has been delivered to the army. The E-627 became standard receiver of the signal and airbourne signal units and was in use as main receiver in the high power stations G1,5K / SE-302, M1K / SE-403 and SE-406. The sets have been faded out and sold as surplus in 1981 and can be found at ham flea markets and online auctions quite regularly.














