Inhaltsverzeichnis
E-641
Telefunken E 148 Uk/2, E-641; hergestellt von Telefunken AG, Ulm.
Der VHF-Empfänger Telefunken E 148 Uk/2 war unter der Bezeichnung E-641 bei der Schweizer Armee im Einsatz, sechs Geräte wurden zum Einsatz bei der Funkpolizei (militärische Funküberwachung) angeschafft.
Technische Daten
- Frequenzbereich: 20 - 80 MHz, Analoganzeige < 50 - ca. 25 kHz
Stromversorgung
- Netzbetrieb: 110 - 240 V Wechselstromnetz
Dimensionen
- 550 x 202 x 384 mm, 40 kg
Zubehör
Bedienung
Der Telefunken E 148 Uk/2, der in der Schweizer Armee unter der Bezeichnung E-641 eingesetzt wurde, wurde um 1957 entwickelt und 1960 beschafft, sechs Geräte als eigenständige Empfänger zum Einsatz bei der „Funkpolizei“ und weitere sechs Geräte zum Einsatz in der VHF-Peilanlage P-721.
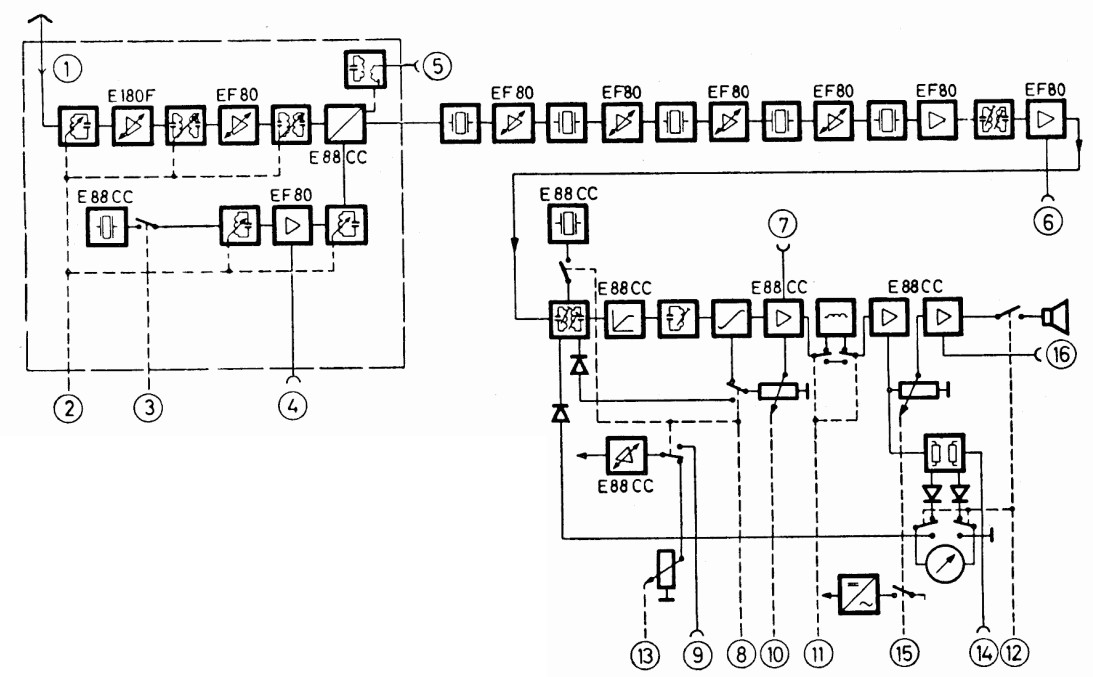
Der 16 Röhren - Einfachsuperhet besteht aus einem Tunereinschub (HF-Teil), der frequenzbestimmend ist und dem Grundgerät E 148/149, in den die ZF von 10,7 MHz weiterbearbeitet wird.
Auf der Frontplatte finden sich die frequenzbestimmenden Elemente im Einschub in der Mitte, beim E 148 ist dies der Einschub für den Frequenzbereich 25 - 84 MHz. Mit dem Schalter „1.Oszillator“ kann ein Quarz zum Fixfrequenzempfang oder der VFO geschaltet werden, dessen Frequenzskala im Skalenfenster auf mind. 50 kHz genau angezeigt wird.
Linkerhand finden sich der Betriebsartenschalter, in den Positionen „A1 / A3 Hand“ kann mit dem darüberliegenden HF-Verstärkungsregler der RF-Gain manuell eingestellt werden. Zuoberst liegt der Schalter zur Aktivierung des NF-Filters.
Rechterhand finden sich der Lautstärkeregler (NF-Regelung), der mit dem Einschalter kombiniert ist, der Schalter, um das Anzeigeinstrument auf den HF- oder NF-Leitungspegel einzustellen und unten der Monitorlautsprecher.
Die Tischversion misst im Stahlblechgehäuse 55 x 20,2 x 38,4 cm und bringt 40 kg auf die Waage.
Technisches Prinzip

Im E-641 kommt der Tunereinschub 25 - 84 MHz zum Einsatz, der gesamte Bereich wird in einem Band abgedeckt.
Nach zwei abgestimmten HF-Vorstufen (E180F, EF80) wird im Mischer E88CC auf die Zwischenfrequenz von 10,7 MHz umgesetzt. Das Oszillatorsignal kann entweder vom durchstimmbaren VFO (EF80), einem Quarz (Arbeitsfrequenz + 10,7 MHz) oder einem externen hochstabilen Oszillator stammen.
Im Grundgerät wird die ZF von 10,7 MHz in sechs Stufen (alle EF80) verstärkt, die ZF-Bandbreite beträgt +/- 12,5 kHz.
Danach gelangt das Signal zur Demodulation, in AM (A3) kommt eine Halbleiterdiode zum Zug, zum CW-Empfang (A1) wird ein BFO (E88CC) zugeschaltet, im FM (F3)- Demodulator arbeitet je eine E88CC im Limiter und Diskriminator.
Ein weitere E88CC kommt im AGC-Verstärker und in der NF-Endstufe zum Einsatz, neben dem Lautsprecher sind Anschlüsse für den Kopfhörer, ein ZF-Ausgang von 10,7 MHz und ein Breitband-ZF-Ausgang zum Anschluss des Panoramasichtgeräts PaG148 direkt an den Ausgang des HF-Teils vorhanden.
Das Gerät arbeitet an Spannungen von 110 - 240 V, die stabilisiert sind (STV 150/30).
Röhrenbestückung
V1 (E180F, HF-Vorstufe); V2 (EF80, HF-Vorstufe); V3 (E88CC, Mischstufe); V4 (EF80, Oszillator); V5 - V10 (sechs EF80, 1.-6. ZF-Stufe); Gl.diode (Demodulation); V11 (E88CC, BFO); V12 (E88CC, FM Limiter); V13 (E88CC, FM-Diskriminator); V14 (E88CC, AGC-Verstärker); V15 (E88CC, NF-Ausgangsstufe).
Entwicklung
Einsatz
Der Telefunken E 148 Uk/2, der in der Schweizer Armee unter der Bezeichnung E-641 eingesetzt wurde, wurde um 1957 entwickelt und 1960 beschafft, sechs Geräte als eigenständige Empfänger zum Einsatz bei der „Funkpolizei“ und weitere sechs Geräte zum Einsatz in der VHF-Peilanlage P-721.

